 |
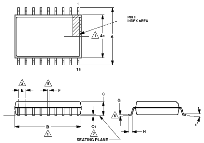
'A1' AND 'B' DO NOT
INCLUDE MOLD FLASH OR PROTRUSIONS. MOLD FLASH
OR PROTRUSIONS SHALL NOT EXCEED 0.006 IN. PER
SIDE.
|
| 2. |
LEADS SHALL BE COPLANAR
WITHIN 0.004 IN. AT THE SEATING PLANE.
|
 |
THE BASIC LEAD SPACING IS
0.050 IN. BETWEEN CENTERLINES. EACH LEAD
CENTERLINE SHALL BE LOCATED WITHIN ±0.004
IN. OF ITS EXACT TRUE POSITION.
|
| 4. |
CONTROLLING DIMENSION:
INCHES. MILLIMETERS SHOWN FOR REFERENCE ONLY.
|
 |
DIMENSION 'F' DOES NOT
INCLUDE DAMBAR PROTRUSION. THE DAMBAR
PROTRUSION(S) SHALL NOT CAUSE THE LEAD WIDTH
TO EXCEED "F" MAXIMUM BY MORE THAN
0.003 IN. DAMBAR CAN NOT BE LOCATED ON THE
LOWER RADIUS OR THE LEAD FOOT.
|
 |
THESE DIMENSIONS APPLY TO
THE FLAT SECTION OF THE LEAD BETWEEN 0.004
IN. AND 0.010 IN. FROM THE LEAD TIP.
|
 |
'C1' IS DEFINED AS THE
DISTANCE FROM THE SEATING PLANE TO THE LOWEST
POINT OF THE PACKAGE BODY (BASE PLANE).
|