NTC electronic components and advanced technologies. Autex SPb
Product Data Sheet

Back to Selection Guide Back to Data Sheets List

 

UCC2956   ~  UCC3956
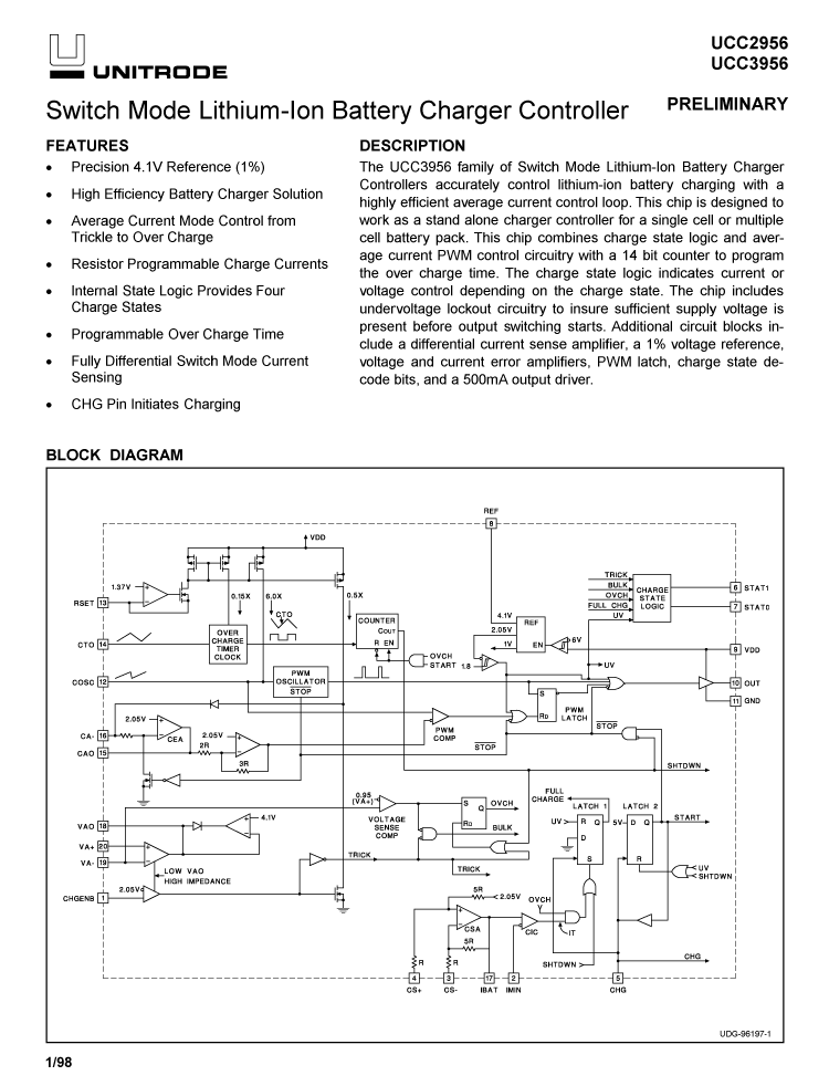
Switch Mode Lithium-Ion Battery Charger Controller
For your review we have included the first page of the data sheet. To download the entire PDF version of the data sheet click on the "PDF" icon (located here and at the bottom of this page). Complete Data Sheet

 

Complete Data Sheet

Back to Selection Guide Back to Data Sheets List

Copyright 1998 Unitrode Corporation