| |
|
| Product Data
Sheet |
|
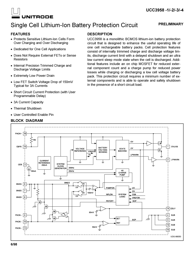
| UCC3958 |
| Single Cell Lithium-Ion Battery Protection Circuit |
| For your review we have included
the first page of the data sheet. To download the entire
PDF version of the data sheet click on the
"PDF" icon (located here and at the bottom of
this page). |

Back to Selection Guide
Back to Data Sheets List
![]()
Copyright 1998 Unitrode Corporation